ET20

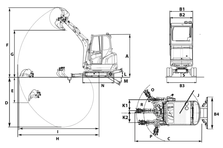
A Height with cab 2,348 mm
B1 Width of upper carriage 990 mm
B2 Width of cab 990 mm
B3 Width travel gear retracted 990 mm
B3 Width travel gear extended 1,300 mm
C Transport length short shovel arm 3,821 mm
C Transport length long shovel arm 4,063 mm
D Digging depth max., short shovel arm 2,543 mm
D Digging depth max., long shovel arm 2,703 mm
E Piercing depth max., short shovel arm 1,241 mm
E Piercing depth max., long shovel arm 1,371 mm
F Piercing height max., short shovel arm 3,739 mm
F Piercing height max., long shovel arm 3,853 mm
G Dumping height max., short shovel arm 2,557 mm
H Digging radius max., short shovel arm 4,158 mm
I Max. reach at ground level (short shovel arm) 4,106 mm
J Tail swing radius 1,123 mm
K1 Boom offset max. (to center of bucket right side) 548 mm
K2 Boom offset max. (to center of bucket left side) 386 mm
L Stacking height max. (dozer blade above surface) 305 mm
M Digging depth max. (dozer blade below surface) 437 mm
N Length travel drive 1,701 mm
O Boom swing radius right 1,479 mm
P Boom swing radius left 1,183 mm
R Boom swing radius center 1,579 mm
S Ground clearance 172 mm
T Distance bucket dozer blade, short shovel arm 189 mm
T Distance bucket dozer blade, long shovel arm 82 mm

Contact us

* Mandatory fields
Contact Contact

Contact